30300 sorozat Kúpos hengercsapágy
30300 sorozat Kúpos hengercsapágy
30300 sorozat Kúpos hengercsapágy

30300 sorozat

A 30300-as sorozatú kúpos hengercsapágy egy nagy teljesítményű gördülő csapágy, amelyet széles körben használnak ipari gépekben, autókban és nehéz berendezésekben. Ez a csapágy -sorozat egy kúpos hengeres kialakítást fogad el, amely ellenáll a nagy tengelyirányú és radiális terheléseknek, nagy forgási pontossággal és kopásállósággal rendelkezik. Belső struktúráját úgy optimalizálják, hogy hatékonyan csökkentse a súrlódást és a hőt, ezáltal meghosszabbítva szolgálati élettartamát. A 30300-as sorozatú csapágyak általában kiváló minőségű ötvözött acélból készülnek, finom felületi megmunkálással és hőkezeléssel, hogy javítsák azok szilárdságát és tartósságát. Ez a csapágy -sorozat jó tömítési teljesítményt is tartalmaz, amely hatékonyan megakadályozhatja a külső szennyező anyagok behatolását és alkalmazkodni a különféle durva munkakörnyezetekhez.

Ajánlatkérés küldése

Termékparaméterek

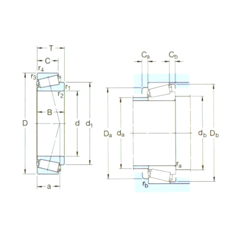
KijElölés Fő Dimenziók (mm) AlApvető terhelési besorolások (kn) PU Sebesség -besorolások (RPM) Súly (kg) ISO335 Méretek (mm) Összefoglaló és filé méretek (mm) Érték
D1 D B DYC (CR) STC (COR) Sebesség -besorolás Korlátozó sebesség Méretek (ABMA) d D1 ~ B C R1,2 (perc) R3,4 (perc) a DA (max) DB (min) DA (min) DA (max) DB (min) CA (min) CB (min) RA (max) RB (max) e Y Yo
30303J2 17 47 15,25 28,1 25 2,75 12000 16000 0,13 2FB 17 30,4 14 12 1 1 10 25 23 40 41 42 2 3 1 1 0,28 2,1 1,1
32303J2/Q 17 47 20,25 40 33,5 3,65 12000 16000 0,17 2fd 17 30,7 19 16 1 1 12 24 23 39 41 43 3 4 1 1 0,28 2,1 1,1
30304J2/Q 20 52 16,25 39 32,5 3,6 12000 14000 0,17 2FB 20 34,3 15 13 1,5 1,5 11 28 27 44 45 47 2 3 1,5 1,5 0,3 2 1,1
30305J2 25 62 18,25 44,6 43 4,75 9000 12000 0,26 2FB 25 41,5 17 15 1,5 1,5 13 34 32 54 55 57 2 3 1,5 1,5 0,3 2 1,1
30306J2/Q 30 72 20,75 64 56 6,4 8000 10000 0,39 2FB 30 48,4 19 16 1,5 1,5 15 41 37 62 65 66 3 4,5 1,5 1,5 0,31 1,9 1,1
30307J2/Q 35 80 22,75 83 73,5 8,3 7500 9000 0,52 2FB 35 54,5 21 18 2 1,5 16 46 44 70 71 74 3 4,5 2 1,5 0,31 1,9 1,1
30308J2/Q 40 90 25,25 100 95 10,8 6300 8000 0,72 2FB 40 62,5 23 20 2 1,5 19 53 49 77 81 82 3 5 2 1,5 0,35 1,7 0,9
30309J2/Q 45 100 27,25 125 120 14,3 5600 7000 0,97 2FB 45 70,1 25 22 2 1,5 21 59 53 86 91 92 3 5 2 1,5 0,35 1,7 0,9
30310J2/Q 50 110 29,25 143 140 16,6 5300 6300 1,25 2FB 50 77,2 27 23 2,5 2 23 65 60 95 100 102 4 6 2 2 0,35 1,7 0,9
30311J2/Q 55 120 31,5 166 163 19,3 4800 5600 1,55 2FB 55 84 29 25 2,5 2 24 71 65 104 112 111 4 6,5 2 2 0,35 1,7 0,9
30312J2/Q 60 130 33,5 168 196 23,6 4000 5300 1,95 2FB 60 91,9 31 26 3 2,5 26 77 72 112 118 120 5 7,5 2,5 2 0,35 1,7 0,9
30313J2/Q 65 140 36 194 228 27,5 3600 4800 2,40 2 GB -os 65 98,6 33 28 3 2,5 28 84 77 122 128 130 5 8 2,5 2 0,35 1,7 0,9
30314J2/Q 70 150 38 220 260 31 3400 4500 2,90 2 GB -os 70 105 35 30 3 2,5 29 90 82 130 138 140 5 8 2,5 2 0,35 1,7 0,9
30315J2/Q 75 160 40 246 290 34 3200 4300 3,45 2 GB -os 75 112 37 31 3 2,5 31 96 87 139 148 149 5 9 2,5 2 0,35 1,7 0,9
30316J2 80 170 42,5 270 320 38 3000 4300 4,10 2 GB -os 80 120 39 33 3 2,5 33 102 92 148 158 159 5 9,5 2,5 2 0,35 1,7 0,9
30317J2 85 180 44,5 303 365 40,5 2800 4000 4,85 2 GB -os 85 126 41 34 4 3 35 107 99 156 166 167 6 10,5 3 2,5 0,35 1,7 0,9
30318J2 90 190 46,5 330 400 44 2600 4000 5,65 2 GB -os 90 132 43 36 4 3 36 113 105 165 176 176 6 10,5 3 2,5 0,35 1,7 0,9
30319 95 200 49,5 330 390 42,5 2600 3400 6,70 2 GB -os 95 139 45 38 4 3 39 118 110 172 186 184 6 11,5 3 2,5 0,35 1,7 0,9
30320J2 100 215 51,5 402 490 53 2400 3200 8,05 2 GB -os 100 148 47 39 4 3 40 127 115 184 201 197 6 12,5 3 2,5 0,35 1,7 0,9
30322J2 110 240 54,5 473 585 62 2200 2800 11,0 2 GB -os 110 165 50 42 4 3 43 142 125 206 226 220 8 12,5 3 2,5 0,35 1,7 0,9
30324J2 120 260 59,5 561 710 73,5 2000 2600 14,0 2 GB -os 120 178 55 46 4 3 47 153 135 221 245 237 7 13,5 3 2,5 0,35 1,7 0,9
30326J2 130 280 63,75 627 800 83 1800 2400 17,0 2 GB -os 130 196 58 49 5 4 51 164 150 239 263 255 8 14,5 4 3 0,35 1,7 0,9
33030 150 225 59 457 865 86,5 2000 2600 8,15 2ee 150 188 59 46 3 2,5 48 164 162 200 213 217 8 13 2,5 2 0,37 1,6 0,9
30332J2 160 340 75 913 1180 114 1500 2000 29,0 2 GB -os 160 233 68 58 5 4 61 201 180 290 323 310 9 17 4 3 0,35 1,7 0,9
30352J2 260 540 113 2120 3050 250 850 1200 110 - 260 376 102 85 6 6 97 325 286 461 514 493 15 28 5 5 0,35 1,7 0,9

Rólunk Yinin

Sanghaj Yinin Csapat- és Transmission Company 2009-ben alapították, több mint 20 éves tapasztalattal a csapágyak területén. Kínai 30300 sorozat Kúpos hengercsapágy Gyártó És Egyedi 30300 sorozat Kúpos hengercsapágy Gyárt. 1999 óta kínai csapágygyártók ügynökeként működünk, különféle csapágyakat exportálva. Mára egy átfogó csapágycsoporttá fejlődtünk, amely integrálja az értékesítést és a gyártást.

Iparági alkalmazás

A csapágyak is nagyon fontos szerepet játszanak a mezőgazdasági gépekben. Ezeket a forgó alkatrés...

Az orvosi berendezések támogatására, magasságára, szögére, ízületére és forgó részeire használják...

A háztartási készülékek támogatására, forgására, motor- és kompresszor részeire használják.

A támogatás forgatásához és mozgásához használják, és az automatizálási berendezések részei

Az épületszerkezetekben a csapágyak felhasználhatók a különböző szerkezeti alkatrészek összekapcs...

Az élelmiszerek és italok előállítási folyamatában szivattyúkra van szükség a folyadékok szállítá...

A csapágyakat repülőgép- és űrhajó -motorokban használják a forgó alkatrészek, például a turbinák...

Belső sebességváltó fogaskerekek, tengelyek, kormány fogaskerekek és kormánycsuklók szállító járm...

2026-02-26

Melyek a kritikus különbségek a P6 és a P5 precíziós fo...
A számítógépes numerikus vezérlésű (CNC) megmunkálás nagy pontosságú világában a teljesítmény a 6000-es golyóscsapágy alapvető fontosságú a mikron alatti pontosság eléréséhez. Mint az igásló...

2026-02-19

Technikai elemzés: Melyek a fő különbségek a 304 és 440...
A nagy pontosságú mérnöki munka területén a megfelelő anyag kiválasztása rozsdamentes acél mélyhornyú golyóscsapágyak egy olyan döntés, amely meghatározza az egész gép élettartamát és...

2026-02-12

Szükséges-e rozsdamentes acél golyóscsapágy 6200 magas ...
A forgómozgástechnika területén a 6200-as sorozat az egyik legszélesebb körben alkalmazott mélyhornyú golyóscsapágy sokoldalúságának és optimalizált radiális teherbírásának köszönhetően. Magas nedv...

Kapcsolat

SUBMIT

Műszaki tanácsadás

  • Sanghaj Yinin Csapat- és Transmission Company

    Egyedi megoldások

  • Sanghaj Yinin Csapat- és Transmission Company

    Folyamatos K+F

  • Sanghaj Yinin Csapat- és Transmission Company

    Minőségellenőrzés

  • Sanghaj Yinin Csapat- és Transmission Company

    Műszaki támogatás és képzés

  • Sanghaj Yinin Csapat- és Transmission Company

    Gyors válasz

Ha bármilyen műszaki konzultációra vagy visszajelzésre van szüksége, a lehető leghamarabb a legprofesszionálisabb választ adjuk Önnek!

Kapcsolat