33000 sorozat Kúpos hengercsapágy
33000 sorozat Kúpos hengercsapágy
33000 sorozat Kúpos hengercsapágy

33000 sorozat

A 33000 sorozatú kúpos hengercsapágy egy nagy teljesítményű gördülő csapágy, amelyet széles körben használnak a nehéz terhelések és a tengelyirányú terhelések elviselésére. Ez a csapágy -sorozat egy kúpos hengeres kialakítást fogad el, amely hatékonyan megoszthatja a terheléseket több irányból, és magasabb merevséget és stabilitást biztosíthat. A belső és a külső gyűrűk kúpos kialakítása növeli az érintkezési területet, ezáltal javítva a teherhordó képességet és a kopásállóságot. Ezt a fajta csapágyat általában ipari gépekben, autókban, vasutakban, repülésben és egyéb területeken használják, és különösen alkalmas nagy pontosságot és hatékonyságot igénylő alkalmazásokhoz. A 33000 sorozatú csapágyak jó hőmérsékleti ellenállással és korrózióállósággal is rendelkeznek, és hosszú ideig kemény környezetben működhetnek. Az ésszerű kenés és karbantartás révén a szolgáltatási élettartama jelentősen meghosszabbítható, és a karbantartási költségek csökkenthetők. A csapágyak sorozatának különféle specifikációi kielégíthetik a különböző ügyfelek igényeit, és széles körben használják különféle típusú forgó berendezésekben.

Ajánlatkérés küldése

33000 sorozatú kúpos hengercsapágy - nagy pontosságú és hosszú élettartamú ipar

33000 sorozatú kúpos hengercsapágy egy nagy pontosságú, nagy terhelhető kapacitású gördülő csapágy, amely alkalmas különféle ipari és mechanikai alkalmazásokra. Ez a csapágy -sorozat elfogadja a kúpos görgőt és a kúpos versenypályát, egyidejűleg radiális és tengelyirányú terheléseket hordozhat, jó stabilitással és tartóssággal rendelkezik.


Termék előnyei

Nagy terhelési kapacitás
A 33000-es sorozatú kúpos hengercsapágy egy kúpos hengerszerkezetet alkalmaz, amely ugyanakkor nagy sugárirányú és tengelyirányú terheléseket hordoz, és nagy teherbírású körülmények között alkalmas.

Nagy pontosság és hosszú élet
Ez a csapágy sorozata a precíziós gyártási technológiát alkalmazza a nagy pontosság és a hosszú élettartam biztosítása érdekében. Felszíni edzési kezelése és optimalizált stresszeloszlás -tervezése javítja a csapágy fáradtságát és megbízhatóságát.

Több modell és specifikáció
A 33000 -es sorozatú csapágyak különféle modellekben és méretben kaphatók, hogy megfeleljenek a különböző alkalmazásforgatókönyvek igényeinek. Például a 33000 -es sorozat 33000, 33001, 33002 és egyéb modelleket tartalmaz, amelyek alkalmasak különböző terhelési és sebesség -körülményekhez.

Testreszabható szolgáltatás
Ez a csapágy -sorozat támogatja az OEM testreszabási szolgáltatást, és az ügyfelek testreszabhatják a saját igényeik szerint, beleértve a méretet, az anyagot, a pecsét típusát stb.

Az alkalmazások széles skálája
A 33000 sorozatú kúpos hengercsapágyak széles körben használják ipari gépekben, autókban, mezőgazdasági gépekben, szivattyúkban, ventilátorokban, liftekben, fémkohászati ​​felszerelésekben, bányászati ​​gépekben és egyéb mezőkben.

Több pecséttípus
Ez a csapágysorozat különféle tömítéstípusokat biztosít, például nyitott, z típusú, 2Z típusú, RS típus, 2RS típus stb., Hogy kielégítse a különféle környezetben a tömítési igényeket.

Több anyagi lehetőség
Ez a csapágysorozat különféle anyagokat használhat, például GCR15, csapágycél stb., A teljesítmény biztosítása érdekében különböző munkakörülmények között.


Termék alkalmazás
Ipari gépek: például szerszámgépek, reduktorok, átviteli rendszerek stb.
Autók: például motorok, sebességváltók, kormányzási rendszerek stb.
Mezőgazdasági gépek: például betakarítók, traktorok, vetőmagok stb.
Szivattyúk és ventilátorok: például centrifugális szivattyúk, fúvók, kompresszorok stb.
Felvonók: például vontatási gépek, vezető vasúti rendszerek stb.
Fémkohászati ​​berendezések: például gördülő malmok, zúzók, szállítószalagok stb.
Bányászati ​​gépek: például kotrók, rakodók, zúzók stb.

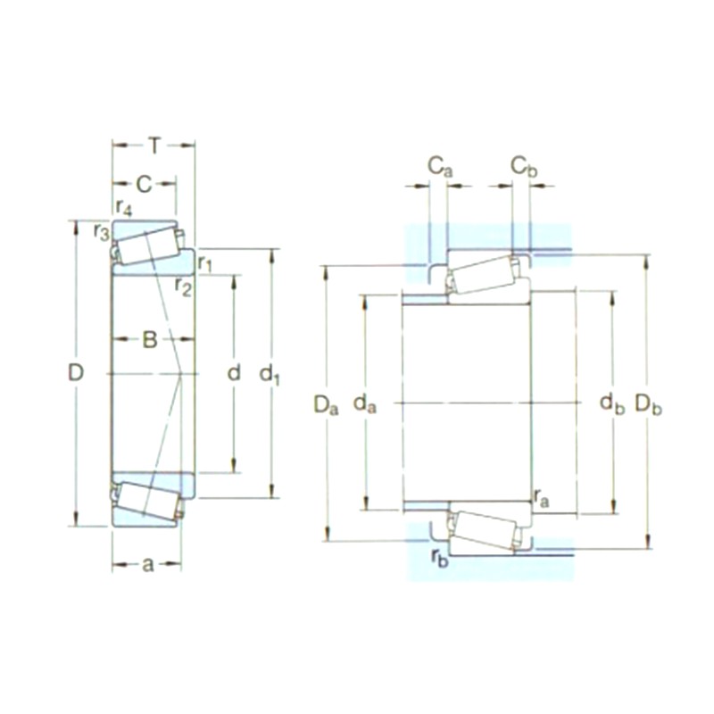
Termékparaméterek

KijElölés Fő Dimenziók (mm) AlApvető terhelési besorolások (kn) PU Sebesség -besorolások (RPM) Súly (kg) ISO335 Méretek (mm) Összefoglaló és filé méretek (mm) Érték
D1 D B DYC (CR) STC (COR) Sebesség -besorolás Korlátozó sebesség Méretek (ABMA) d D1 ~ B C R1,2 (perc) R3,4 (perc) a DA (max) DB (min) DA (min) DA (max) DB (min) CA (min) CB (min) RA (max) RB (max) e Y Yo
33010/q 50 80 24 80 102 11,4 6300 8000 0,4 5 2C 50 64,9 24 19 1 1 17 56 56 72 74 76 4 5 1 1 0,31 1,9 1,1
33011/q 55 90 27 104 137 15,3 5600 7000 0,67 2C 55 72,9 27 21 1,5 1,5 19 63 62 81 83 86 5 6 1,5 1,5 0,31 1,9 1,1
33012/q 60 95 27 106 143 16 5300 6700 0,71 2C 60 77,1 27 21 1,5 1,5 20 67 67 85 88 90 5 6 1,5 1,5 0,33 1,8 1
33013/q 65 100 27 110 153 17,3 5000 6300 0,78 2C 65 82,5 27 21 1,5 1,5 21 72 72 89 93 96 5 6 1,5 1,5 0,35 1,7 0,9
33014 70 110 31 130 196 22,8 4300 5600 1,10 2C 70 88,8 31 25,5 1,5 1,5 23 78 77 99 103 105 5 5,5 1,5 1,5 0,28 2,1 1,1
33015/q 75 115 31 134 228 26 4000 5300 1,15 2C 75 95 31 25,5 1,5 1,5 23 84 82 104 108 110 6 5,5 1,5 1,5 0,3 2 1,1
33016/q 80 125 36 168 285 32 3600 5000 1,65 2C 80 102 36 29,5 1,5 1,5 26 90 87 112 117 119 6 6,5 1,5 1,5 0,28 2,1 1,1
33017/q 85 130 36 183 310 34,5 3600 4800 1,75 2C 85 107 36 29,5 1,5 1,5 26 94 92 118 122 125 6 6,5 1,5 1,5 0,3 2 1,1
33018/q 90 140 39 216 355 39 3200 4500 2,20 2C 90 113 39 32,5 2 1,5 27 100 98 127 132 135 7 6,5 2 1,5 0,27 2,2 1,3
33019/q 95 145 39 220 375 40,5 3200 4300 2,30 2C 95 118 39 32,5 2 1,5 28 104 104 131 138 139 7 6,5 2 1,5 0,28 2,1 1,1
33020/q 100 150 39 224 390 41,5 3000 4000 2,40 2C 100 122 39 32,5 2 1,5 29 109 108 135 142 143 7 6,5 2 1,5 0,3 2 1,1
33021/q 105 160 43 246 430 45,5 2800 3800 3,05 2DE 105 131 43 34 2,5 2 31 117 116 145 150 153 7 9 2 2 0,28 2,1 1,1
33022 110 170 47 281 500 53 2600 3600 3,85 2DE 110 139 47 37 2,5 2 34 123 121 152 160 161 7 10 2 2 0,28 2,1 1,1
33024 120 180 48 292 540 56 2600 3400 4,20 2DE 120 149 48 38 2,5 2 36 132 131 160 170 171 6 10 2 2 0,3 2 1,1
33030 150 225 59 457 865 86,5 2000 2600 8,15 2ee 150 188 59 46 3 2,5 48 164 162 200 213 217 8 13 2,5 2 0,37 1,6 0,9
31330xJ2 150 320 82 781 1020 100 1400 2000 29,5 7 GB -os 150 234 75 50 5 4 96 181 170 251 303 300 9 32 4 3 0,83 0,72 0,4

Rólunk Yinin

Sanghaj Yinin Csapat- és Transmission Company 2009-ben alapították, több mint 20 éves tapasztalattal a csapágyak területén. Kínai 33000 sorozat Kúpos hengercsapágy Gyártó És Egyedi 33000 sorozat Kúpos hengercsapágy Gyárt. 1999 óta kínai csapágygyártók ügynökeként működünk, különféle csapágyakat exportálva. Mára egy átfogó csapágycsoporttá fejlődtünk, amely integrálja az értékesítést és a gyártást.

Iparági alkalmazás

A csapágyak is nagyon fontos szerepet játszanak a mezőgazdasági gépekben. Ezeket a forgó alkatrés...

Az orvosi berendezések támogatására, magasságára, szögére, ízületére és forgó részeire használják...

A háztartási készülékek támogatására, forgására, motor- és kompresszor részeire használják.

A támogatás forgatásához és mozgásához használják, és az automatizálási berendezések részei

Az épületszerkezetekben a csapágyak felhasználhatók a különböző szerkezeti alkatrészek összekapcs...

Az élelmiszerek és italok előállítási folyamatában szivattyúkra van szükség a folyadékok szállítá...

A csapágyakat repülőgép- és űrhajó -motorokban használják a forgó alkatrészek, például a turbinák...

Belső sebességváltó fogaskerekek, tengelyek, kormány fogaskerekek és kormánycsuklók szállító járm...

2026-03-26

What are the Structural Advantages of Using an Angular ...
In high-precision mechanical engineering, the choice between integrated components and modular assemblies often determines the ultimate stability of the system. For rotational applications requiring h...

2026-03-19

Why Is Your 6000 Ball Bearing Overheating, and How Can ...
In the realm of precision rotating machinery, the 6000 ball bearing is a ubiquitous component, favored for its ability to handle both radial and axial loads in a compact 10x26x8mm footprint. However, ...

2026-03-12

Why are Food-Grade Stainless Steel Deep Groove Ball Bea...
In the high-stakes environment of food and beverage manufacturing, mechanical reliability and biological safety are inseparable. The choice of stainless steel deep groove ball bearings is a critical e...

Kapcsolat

SUBMIT

Műszaki tanácsadás

  • Sanghaj Yinin Csapat- és Transmission Company

    Egyedi megoldások

  • Sanghaj Yinin Csapat- és Transmission Company

    Folyamatos K+F

  • Sanghaj Yinin Csapat- és Transmission Company

    Minőségellenőrzés

  • Sanghaj Yinin Csapat- és Transmission Company

    Műszaki támogatás és képzés

  • Sanghaj Yinin Csapat- és Transmission Company

    Gyors válasz

Ha bármilyen műszaki konzultációra vagy visszajelzésre van szüksége, a lehető leghamarabb a legprofesszionálisabb választ adjuk Önnek!

Kapcsolat