51200 sorozat Tológolyócsapágy
51200 sorozat Tológolyócsapágy
51200 sorozat Tológolyócsapágy

51200 sorozat

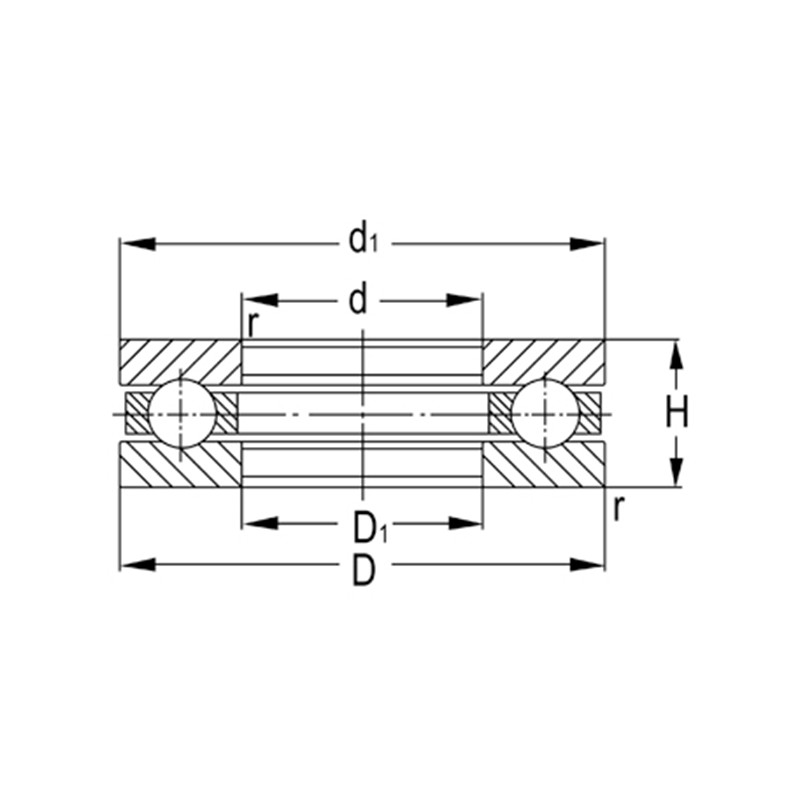
Az 51200 -as sorozatú tológömbcsapágy egy olyan gördülőcsapágy, amelyet kifejezetten a tengelyirányú terhelésre terveztek. Általában egy vagy több gömbből és két csapágyversenyből áll. Ezt a fajta csapágyat elsősorban olyan alkalmazásokban használják, amelyeknek ellenállniuk kell a nagy tengelyirányú erőknek, például mechanikus berendezéseknek, autóknak, űrrepülésnek és más mezőknek. Az 51200-as sorozat golyói nagy keménységű anyagokból készülnek, amelyek jó kopásállósággal és kompressziós szilárdsággal rendelkeznek, és stabil teljesítményt tudnak fenntartani a nagysebességű működés során. Kompakt szerkezetű, és könnyen telepíthető, így korlátozott helyekben való felhasználásra alkalmas. Kiváló teljesítménye és megbízhatóságának köszönhetően az 51200 sorozatú tológolyócsapágyak széles körben használják az ipari termelésben és a napi gépekben.

Ajánlatkérés küldése

Termékparaméterek

Kijelölés Fő Dimenziók (mm) Alapvető terhelési besorolások (kN) Korlátozott sebesség (fordulat / perc) Súly
d D T Dinamikus (CR) Statikus (COR) Zsír Olaj (kg)
51203 17 35 12 17 27.2 4500 6300 0.048
51204 20 40 14 22.2 37.5 3800 5300 0.075
51205 25 47 15 27.8 50.5 3400 4800 0.11
51206 30 52 16 28 54.2 3200 4500 0.13
51207 35 62 18 39.2 78.2 2800 4000 0.21
51208 40 68 19 47 98.2 2400 3600 0.26
51209 45 73 20 47.8 105 2200 3400 0.3
51210 50 78 22 48.5 112 2000 3200 0.37
51211 55 90 25 67.5 158 1900 3000 0.58
51212 60 95 26 73.5 178 1800 2800 0.66
51213 65 100 27 74.8 188 1700 2600 0.72
51214 70 105 27 73.5 188 1600 2400 0.75
51215 75 110 27 74.8 198 1500 2200 0.82
51216 80 115 28 83.8 222 1400 2000 0.9
51217 85 125 31 102 280 1300 1900 1.21
51218 90 135 35 115 315 1200 1800 1.65
51220 100 150 38 132 375 1100 1700 2.21
51222 110 160 38 138 412 1000 1600 2.39

Rólunk Yinin

Sanghaj Yinin Csapat- és Transmission Company 2009-ben alapították, több mint 20 éves tapasztalattal a csapágyak területén. Kínai 51200 sorozat Tológolyócsapágy Gyártó És Egyedi 51200 sorozat Tológolyócsapágy Gyárt. 1999 óta kínai csapágygyártók ügynökeként működünk, különféle csapágyakat exportálva. Mára egy átfogó csapágycsoporttá fejlődtünk, amely integrálja az értékesítést és a gyártást.

Iparági alkalmazás

A csapágyak is nagyon fontos szerepet játszanak a mezőgazdasági gépekben. Ezeket a forgó alkatrés...

Az orvosi berendezések támogatására, magasságára, szögére, ízületére és forgó részeire használják...

A háztartási készülékek támogatására, forgására, motor- és kompresszor részeire használják.

A támogatás forgatásához és mozgásához használják, és az automatizálási berendezések részei

Az épületszerkezetekben a csapágyak felhasználhatók a különböző szerkezeti alkatrészek összekapcs...

Az élelmiszerek és italok előállítási folyamatában szivattyúkra van szükség a folyadékok szállítá...

A csapágyakat repülőgép- és űrhajó -motorokban használják a forgó alkatrészek, például a turbinák...

Belső sebességváltó fogaskerekek, tengelyek, kormány fogaskerekek és kormánycsuklók szállító járm...

2026-03-26

What are the Structural Advantages of Using an Angular ...
In high-precision mechanical engineering, the choice between integrated components and modular assemblies often determines the ultimate stability of the system. For rotational applications requiring h...

2026-03-19

Why Is Your 6000 Ball Bearing Overheating, and How Can ...
In the realm of precision rotating machinery, the 6000 ball bearing is a ubiquitous component, favored for its ability to handle both radial and axial loads in a compact 10x26x8mm footprint. However, ...

2026-03-12

Why are Food-Grade Stainless Steel Deep Groove Ball Bea...
In the high-stakes environment of food and beverage manufacturing, mechanical reliability and biological safety are inseparable. The choice of stainless steel deep groove ball bearings is a critical e...

Kapcsolat

SUBMIT

Műszaki tanácsadás

  • Sanghaj Yinin Csapat- és Transmission Company

    Egyedi megoldások

  • Sanghaj Yinin Csapat- és Transmission Company

    Folyamatos K+F

  • Sanghaj Yinin Csapat- és Transmission Company

    Minőségellenőrzés

  • Sanghaj Yinin Csapat- és Transmission Company

    Műszaki támogatás és képzés

  • Sanghaj Yinin Csapat- és Transmission Company

    Gyors válasz

Ha bármilyen műszaki konzultációra vagy visszajelzésre van szüksége, a lehető leghamarabb a legprofesszionálisabb választ adjuk Önnek!

Kapcsolat