51300 sorozat Tológolyócsapágy
51300 sorozat Tológolyócsapágy
51300 sorozat Tológolyócsapágy

51300 sorozat

A 51300 sorozatú tológolyócsapágy egy nagy pontosságú, nagy teherbírású mechanikai alkatrész, amelyet széles körben használnak különféle ipari berendezésekben és gépekben. Ez a csapágysorozat egy pár kúpos henger és egy csapágy ülést használ, hogy ellenálljon a tengelyirányú terheléseknek, és jó forgási stabilitást biztosítson. Az 51300 sorozatú csapágyak kialakítása hatékonyan csökkentheti a súrlódást a nagysebességű működés során, ezáltal meghosszabbítva a szolgálati élettartamot. Anyagja általában nagy szilárdságú ötvözött acél, biztosítva a kiváló kopásállóságot és a fáradtságállóságot. Ezenkívül ezt a fajta csapágyat könnyű telepíteni és karbantartani, és alkalmas autóiparra, repülőgépre, nehéz gépekre és egyéb mezőkre.

Ajánlatkérés küldése

51300 sorozatú tológolyócsapágy - nagy terhelési képesség és tartósság

51300 sorozatú tológolyócsapágyak a precíziós csapágyak, amelyeket nagy axiális terhelésekhez terveztek. Ezek olyan ipari forgatókönyvekhez alkalmasak, amelyeknek egy irányban és mérsékelt sebességben kell ellenállniuk a nehéz terheléseknek. A kiváló minőségű acél- és fejlett hőkezelési folyamatok biztosítják a hosszú élettartamot, az alacsony súrlódást és a stabil teljesítményt. Ezek a választás a nehéz gépek, az autóipari átviteli rendszerek és az ipari berendezések számára.

Jellemzők :
Könnyű kialakítás: Könnyű szerkezet az egyszerű telepítéshez és karbantartáshoz.
Groeded Raceway: Biztosítja a labda zökkenőmentes gördülését a műtét során, csökkentve a súrlódást és a kopást.
Egyirányú tengelyirányú terhelési kapacitás: egyirányú tengelyirányú erővel rendelkező alkalmazásokhoz alkalmas.
Nagysebességű teljesítmény: Az olajkenési körülmények között nagyobb sebességkorlátozást lehet elérni.
Több méretű opció: különféle méretűek, hogy megfeleljenek a különböző alkalmazási követelményeknek.

Rendkívül magas terhelési kapacitás
A megerősített versenypálya kialakításával az axiális terhelési kapacitás 20% -kal növekszik a szokásos modellhez képest, amely nagynyomású környezethez, például bélyegzőgépekhez és sebességváltókhoz alkalmas.

Precíziós gyártási folyamat
Nagy pontosságú GR.10 acélgolyók tükör-csiszolt versenypályák, 35% -kal alacsonyabb súrlódási együttható, csökkentett energiafogyasztás és hőmérséklet-emelkedés.

Hosszú távú tartósság
A felszíni foszfát kezelés elleni becsapódás, a korróziós rezisztencia megfelel az ISO 9001 szabványoknak, és az élet 50% -kal növekszik durva munkakörülmények között.

Rugalmas alkalmazkodóképesség
Különféle méretű (51300-51400 sorozat) és testreszabott lehetőségek (például C3 Clearice, tömítőborítás) állnak rendelkezésre, hogy megfeleljenek a különféle berendezések követelményeinek.

Alkalmazási példák:
Csúszóajtó rendszer: Az ajtók tengelyirányú elhelyezésére használják az ajtók zökkenőmentes működését.
Ipari gépek: A forgó berendezések tengelyirányú támogatására használják a berendezések stabilitásának és élettartamának javítására.
Építőipari gépek: például daruk, kotrógépek stb., A nehéz tengelyirányú erők támogatására használják.
Autóalkatrészek: Az ajtók, napfénytető és más alkatrészek tengelyirányú elhelyezéséhez használják.

GYIK

1. kérdés: Az 51300 csapágyak helyettesíthetik -e a hasonló importált márkákat?
→ Igen! A csapágyaink átadták az SKF/FAG paraméter tesztet, összehasonlítható teljesítménygel és versenyképesebb árakkal.

2. kérdés: Van -e magas hőmérsékleti modell?
→ Magas hőmérsékletű acél (200 ° C) vagy szilárd kenési verzió elérhető, kérjük, vegye fel a kapcsolatot a műszaki csapattal a részletekért.

3. kérdés: Hogyan lehet meghatározni a csapágy telepítési irányát?
→ A csapágyversenyt egy "↑" nyíl jelöli, hogy jelezze a tengelyirányú erő irányát, vagy olvassa el az árukkal ellátott telepítési útmutatót.

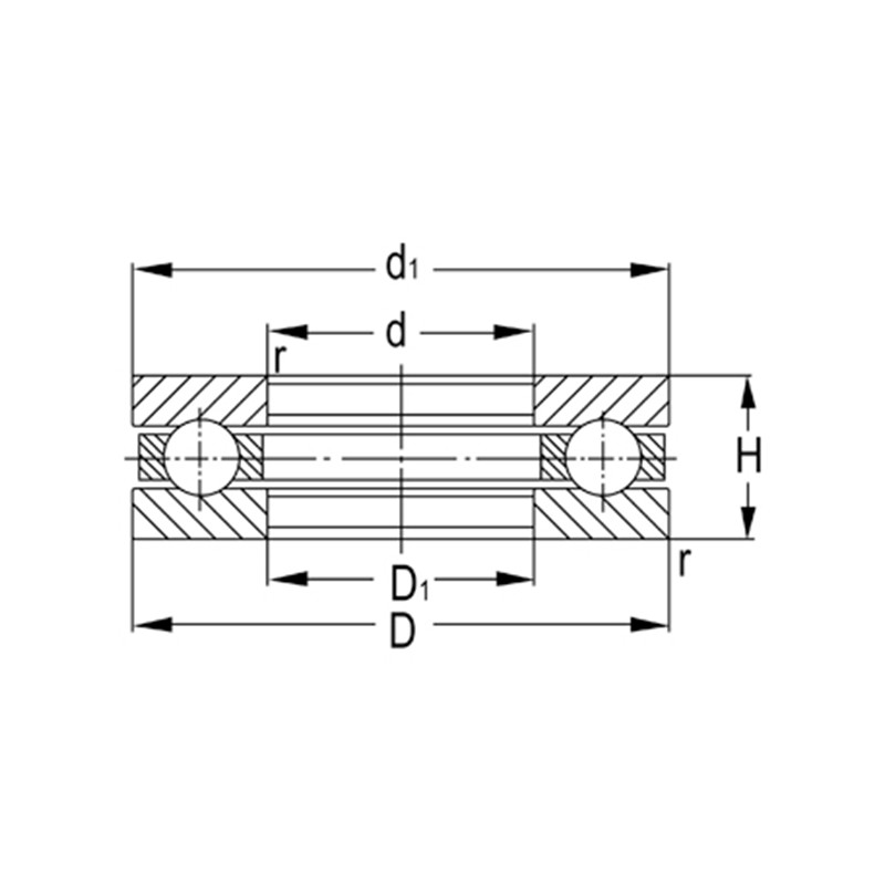
Termékparaméterek

Kijelölés Fő Dimenziók (mm) Alapvető terhelési besorolások (kN) Korlátozott sebesség (fordulat / perc) Súly
d D T Dinamikus (CR) Statikus (COR) Zsír Olaj (kg)
51305 25 52 18 35.5 61.5 3000 4300 0.17
51306 30 60 21 42.8 78.5 2400 3600 0.26
51307 35 68 24 55.2 105 2000 3200 0.37
51308 40 78 26 69.2 135 1900 3000 0.53
51309 45 85 28 75.8 150 1700 2600 0.66
51310 50 95 31 96.5 202 1600 2400 0.92
51311 55 105 35 115 242 1500 2200 1.28
51312 60 110 35 118 262 1400 2000 1.37
51313 65 115 36 115 262 1300 1900 1.48
51314 70 125 40 148 340 1200 1800 1.98
51315 75 135 44 162 380 1100 1700 2.58
51316 80 140 44 160 380 1000 1600 2.69
51317 85 150 49 208 495 950 1500 3.47
51318 90 155 50 205 495 900 1400 3.69
51320 100 170 55 235 595 800 1200 4.86

Rólunk Yinin

Sanghaj Yinin Csapat- és Transmission Company 2009-ben alapították, több mint 20 éves tapasztalattal a csapágyak területén. Kínai 51300 sorozat Tológolyócsapágy Gyártó És Egyedi 51300 sorozat Tológolyócsapágy Gyárt. 1999 óta kínai csapágygyártók ügynökeként működünk, különféle csapágyakat exportálva. Mára egy átfogó csapágycsoporttá fejlődtünk, amely integrálja az értékesítést és a gyártást.

Iparági alkalmazás

A csapágyak is nagyon fontos szerepet játszanak a mezőgazdasági gépekben. Ezeket a forgó alkatrés...

Az orvosi berendezések támogatására, magasságára, szögére, ízületére és forgó részeire használják...

A háztartási készülékek támogatására, forgására, motor- és kompresszor részeire használják.

A támogatás forgatásához és mozgásához használják, és az automatizálási berendezések részei

Az épületszerkezetekben a csapágyak felhasználhatók a különböző szerkezeti alkatrészek összekapcs...

Az élelmiszerek és italok előállítási folyamatában szivattyúkra van szükség a folyadékok szállítá...

A csapágyakat repülőgép- és űrhajó -motorokban használják a forgó alkatrészek, például a turbinák...

Belső sebességváltó fogaskerekek, tengelyek, kormány fogaskerekek és kormánycsuklók szállító járm...

2026-03-26

What are the Structural Advantages of Using an Angular ...
In high-precision mechanical engineering, the choice between integrated components and modular assemblies often determines the ultimate stability of the system. For rotational applications requiring h...

2026-03-19

Why Is Your 6000 Ball Bearing Overheating, and How Can ...
In the realm of precision rotating machinery, the 6000 ball bearing is a ubiquitous component, favored for its ability to handle both radial and axial loads in a compact 10x26x8mm footprint. However, ...

2026-03-12

Why are Food-Grade Stainless Steel Deep Groove Ball Bea...
In the high-stakes environment of food and beverage manufacturing, mechanical reliability and biological safety are inseparable. The choice of stainless steel deep groove ball bearings is a critical e...

Kapcsolat

SUBMIT

Műszaki tanácsadás

  • Sanghaj Yinin Csapat- és Transmission Company

    Egyedi megoldások

  • Sanghaj Yinin Csapat- és Transmission Company

    Folyamatos K+F

  • Sanghaj Yinin Csapat- és Transmission Company

    Minőségellenőrzés

  • Sanghaj Yinin Csapat- és Transmission Company

    Műszaki támogatás és képzés

  • Sanghaj Yinin Csapat- és Transmission Company

    Gyors válasz

Ha bármilyen műszaki konzultációra vagy visszajelzésre van szüksége, a lehető leghamarabb a legprofesszionálisabb választ adjuk Önnek!

Kapcsolat